Tổng quan về xác định kích thước trong thiết kế bộ phận
Để học ngôn ngữ chế tạo kim loại, người ta cần biết cách một thiết kế được đưa vào cuộc sống
Một trong những khía cạnh quan trọng nhất của việc soạn thảo các bộ phận là xác định kích thước. Soạn thảo, mà bạn có thể gọi là “ngôn ngữ chuyên ngành”, sẽ không hoàn chỉnh nếu không có nó.
Những người đang học cách soạn thảo có thể khó nắm bắt được kích thước, nhưng điều đó là cần thiết. Thiếu kiến thức về đo kích thước dẫn đến nhiều bản vẽ nghèo nàn và không hoàn chỉnh trên thế giới.

>>>> Bây giờ chúng ta hãy khám phá tầm quan trọng của việc xác định kích thước trong thiết kế một phần.
Kinh nghiệm từ một người thầy đào tạo soạn thảo
Trong quá trình làm việc trong lĩnh vực giáo dục công nghệ, tôi đã nghĩ ra cách riêng của mình để dạy quy trình tư duy để xác định kích thước của một phần trong bản thảo. Tôi đã cống hiến cho học sinh của mình hai hạt tri thức vàng nhỏ:
- Khi cố gắng vẽ lại một phần được giao cho bạn trong một bức vẽ rất phức tạp hoặc khó hiểu, đừng lo lắng về những gì bạn không biết. Giải quyết vấn đề từ những gì bạn biết. Phần còn lại sẽ theo sau và bạn sẽ tìm ra nó bằng cách chia nhỏ nó thành các phần hình học đơn giản của tổng thể.
- Khi vẽ một bộ phận hiện có dưới dạng bản vẽ máy, khi bạn nghĩ rằng mình đã hoàn thành, hãy tự hỏi mình, “Tôi đã cung cấp đủ thông tin để làm lại phần này chưa?” Hãy tưởng tượng bạn đang ở trên bàn bếp với một khối pho mát hoặc một thanh xà phòng và tự hỏi bản thân xem bạn có thể làm lại bộ phận đó bằng dao dựa trên thông tin bạn vừa cung cấp hay không.
Với tư cách là một nhà giáo dục về soạn thảo, tôi đã gọi ba loại bộ phận máy cơ bản là ba loại nút bấm khác nhau: trục nhỏ, lệch và không đều:
- Innies là những phần được đo từ trong ra ngoài. Nhìn chung, chúng có hình tròn hoặc kích thước của chúng bắt đầu từ tâm bên trong với mặt ngoài đối xứng hoặc không đều. Bánh răng, ròng rọc và bánh xe là những ví dụ điển hình.
- Hình dáng bên ngoài là các bộ phận được đo từ bên ngoài vào trong. Chúng thường có hình chữ nhật hoặc hình vuông và có kích thước tốt nhất từ bên ngoài phù hợp với các tính năng bên trong. Nội thất văn phòng bạn đang ngồi xung quanh bây giờ là một ví dụ điển hình cho điều này.

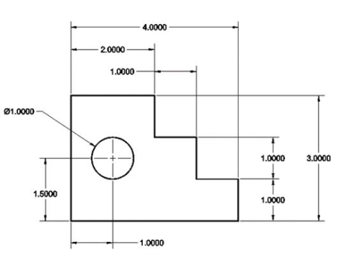
Hình 1 Đây là một ví dụ về xác định kích thước chuỗi. Nó hoạt động tốt khi dung sai không phải là một yếu tố trong thiết kế bộ phận.
- Các bộ phận không đều giống như những bộ phận có đường cong không đều (tiếng Pháp). Người ta có thể bắt đầu đo kích thước các đối tượng như vậy ở bất cứ đâu. Tuy nhiên, nói chung, bạn muốn bắt đầu đo kích thước các bộ phận từ nơi chúng được giữ hoặc neo trong nhà máy
Các loại kích thước
Ba loại kích thước chính là kích thước tổng thể, kích thước vị trí và kích thước tính năng. Kích thước lỗ là một ví dụ của loại thứ hai.
Kích thước có thể được tiếp cận theo năm cách khác nhau: kích thước chuỗi, kích thước đường cơ sở, kích thước sắp xếp, kích thước của các bộ phận hình tròn và kích thước bảng. Tất nhiên, sự kết hợp của một số phương pháp này cũng được phép.
Kích thước chuỗi còn được gọi là kích thước chạy hoặc kích thước điểm-điểm. Đây là phương pháp xác định kích thước theo đó các kích thước được chia nhỏ thành các phần của tổng thể và các kích thước được kết nối từ đầu đến cuối theo kiểu dây chuyền. Đây là phương pháp đo kích thước lâu đời nhất.
Mặc dù cách tiếp cận này đã tồn tại trong nhiều năm, nhưng nó có thể dẫn đến vấn đề chồng chất dung sai, trong đó các kích thước riêng lẻ chứa một dung sai có thể trở nên tích lũy. Chỉ vì lý do này, việc xác định kích thước chuỗi là phương pháp ít được mong muốn nhất trừ khi kích thước cuối cùng của chuỗi được để ngỏ và được bao phủ bởi việc điều chỉnh kích thước tổng thể. Điều này ngụ ý rằng tất cả các phần của dây chuyền đều quan trọng, nhưng phần cuối cùng ít quan trọng hơn, cho phép một số dung sai cho phép các bộ phận vẫn có thể sử dụng được. Hình 1 đưa ra một ví dụ.
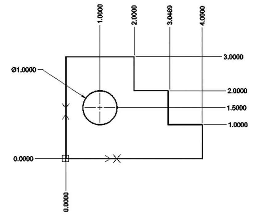
Kích thước đường cơ sở còn được gọi là kích thước song song hoặc kích thước dữ liệu. Chúng bắt đầu từ một bề mặt được cho là thật, phẳng và vuông góc và đó được cho là điểm gốc hoặc điểm xuất phát. Các kích thước này thường được coi là điểm bắt đầu hoặc được gọi là bề mặt dữ liệu trong bản vẽ máy. Hình 2 cho thấy một ví dụ.
Kích thước thông thường còn được gọi là kích thước dữ liệu, kích thước chạy hoặc kích thước không mũi tên. Chúng bắt đầu từ một bề mặt được cho là đúng và đó được cho là nguồn gốc hoặc điểm xuất phát. Kích thước tọa độ thường được coi là điểm bắt đầu hoặc cái được gọi là mặt phẳng dữ liệu trong bản vẽ máy. Thuật ngữ đường cơ sở xuất phát từ điểm tọa độ hoặc 0-X, 0-Y được gọi là điểm gốc hoặc điểm XY. Xem Hình 3 để làm ví dụ.
Kích thước của các phần hình tròn coi trọng tâm như một số liệu từ nơi bắt đầu của tất cả các kích thước. Chỉ các phần tham chiếu đến một đường tâm đồng tâm chung mới có thể sử dụng phương pháp này. Các bộ phận lệch tâm hoặc không trung tâm yêu cầu một số sửa đổi khi sử dụng phương pháp này. Việc luyện tập thường yêu cầu khoảng cách giữa các tâm theo cả hướng ngang (X) và dọc (Y). Nếu một vòng tròn bu lông được sử dụng cho một mẫu hình tròn gồm các lỗ có tâm, thì đường kính của vòng tròn bu lông được đưa ra nhưng độ giữa các tâm lỗ không được đưa ra, nếu tất cả chúng được giả định là bằng nhau. Trong ví dụ này, sáu lỗ được chia thành 360 độ có nghĩa là có 60 độ giữa các lỗ.
Kích thước dạng bảng cũng được gọi là thứ nguyên được lập bảng. Trong trường hợp này, một bản vẽ với một bảng có thể được sử dụng để giải quyết nhiều phần giống nhau. Nói chung, bản vẽ được chuẩn bị cho một phần đường cơ sở thực tế, trong trường hợp này là phần 1001. Sau đó, tất cả các phần khác sẽ là bản fax hợp lý, nhưng không chính xác tương ứng với tất cả các phần khác của bảng.
Các quy tắc chung để xác định kích thước
1. Kích thước phải được hiển thị cho đường viền của bộ phận thể hiện rõ nhất một đối tượng địa lý. Ví dụ, một lỗ được ghi kích thước khi nó xuất hiện dưới dạng hình tròn.

Hình 2 Một số người cho rằng ghi kích thước đường cơ sở là cách dễ nhất để chuẩn bị một bản vẽ và dễ đọc nhất trong nhà máy
2. Kích thước không bao giờ được trùng lặp và các thứ nguyên thừa và thừa cần được loại bỏ.
3. Mọi đặc điểm của một bộ phận, chẳng hạn như lỗ, phải được định vị theo cả chiều dọc và chiều ngang đối với tâm của nó với một kích thước tương ứng.
4. Các đường bao không đều (như một đường cong bất thường phác thảo) của một bộ phận phải được đo kích thước bằng các vị trí ngang và dọc đối với các góc nhọn hoặc tâm của cung tròn theo lý thuyết.
5. Các thứ nguyên hệ mét và tiếng Anh thông thường phải được cung cấp khi cần thiết.
6. Thứ nguyên tiếng Anh thông thường phải được thể hiện với độ chính xác ít nhất là ba chữ số thập phân và kích thước thập phân hệ mét phải được thể hiện bằng ít nhất một, trừ khi phần đó bao gồm kích thước thành số nguyên.
7. Càng nhiều càng tốt, giữ các kích thước ngoài tầm nhìn của bộ phận.
8. Luôn làm cho các đường kích thước mỏng hơn các đường đối tượng bộ phận để phân biệt các kích thước với cấu hình bộ phận.
9. Kích thước ngắn hơn nên được đặt bên trong những kích thước dài hơn.
10. Các đường kích thước không bao giờ được cắt ngang và các đường kích thước phải cắt qua các đường kéo dài càng ít càng tốt.
11. Đảm bảo tất cả các góc tròn, chẳng hạn như phi lê và viên tròn, được đo kích thước theo cả vị trí và kích thước theo tâm của chúng hoặc ngoài các góc nhọn theo lý thuyết.

Hình 3 Thuật ngữ đường cơ sở thực sự có nguồn gốc từ việc xác định kích thước. Nó đề cập đến điểm 0-X, 0-Y được gọi là nhà hoặc đường cơ sở. Đây là một ví dụ về xác định kích thước theo thứ tự.
12. Cung tròn hơn 180 độ có thể được ghi kích thước dưới dạng đường kính, trong khi cung tròn nhỏ hơn 180 độ nên được ghi kích thước dưới dạng bán kính.
13. Ký hiệu “lần” (x) ghi kích thước hình học nên được sử dụng để tóm tắt các lần xuất hiện của đường kính và bán kính xảy ra nhiều lần trong một bản vẽ.
14. Giá trị kích thước đường kính phải luôn được đặt trước ký hiệu Ø. Kích thước bán kính phải luôn đứng trước chữ R.
15. Bản vẽ phải được ghi kích thước hoàn chỉnh sao cho không ai cần tính toán để xác định thông tin về kích thước mong muốn nhưng không có trong bản vẽ.
16. Các đặc trưng về kích thước của một bộ phận còn lại, chứ không phải để những đặc điểm đó bị cắt đi như một mảnh vụn.
17. Bản vẽ máy của các bộ phận cơ khí nên được ghi kích thước theo phương pháp một chiều của vị trí văn bản, theo đó tất cả các kích thước được đọc từ cuối trang và không được căn chỉnh với các đường kích thước.
18. Kích thước inch tùy chỉnh phân số hiếm khi được sử dụng trong bản vẽ máy. Một ví dụ về nơi có thể chấp nhận các đơn vị đo lường như vậy là trong xưởng đúc hoặc lò rèn, nơi các bộ phận thô là sản phẩm cuối cùng sẵn sàng để chế biến thêm.
19. Kích thước góc không nên được cung cấp cho độ chính xác thập phân trừ khi thực sự cần thiết và cả năng lực máy móc và lực lượng lao động đều có thể giữ được dung sai đó.
20. Bản vẽ không được có kích thước lớn hơn bất kỳ dung sai nào mà nhà máy có thể duy trì, trừ khi phần đó được giao cho một bên khác. (Khi tôi đang dạy ở trường đại học, bộ phận soạn thảo và thiết kế biết rằng nhà máy trong khuôn viên trường có thể chứa một kích thước chỉ lên đến 0,0015 inch.)

